Home
About
Products
Certificates
Partners
News
Contact
SEARCH
Products
Schneider Switchgear & Parts
ABB Switchgear & Parts
Siemens Switchgear & Parts
America Switchgear & Parts
Korea Switchgear & Parts
Other Brand Switchgears
Air Insulated Switchgear (AIS)
Gas Insulated Switchgear (GIS)
Ring Main Unit (Air & Gas RMU)
Indoor Vacuum Circuit Breaker
Outdoor Vacuum Circuit Breaker
Outdoor Load Break Switch
Auto Recloser & Parts
Low Voltage Switchgear & Parts
Switchgear Development & Type Test
Switchgear Retrofit
Switchgear Aftersales Service
Disconnect Switch
Power T&D Products
Switchgear Test Equipment
Switchgear Production Equipment
HV SF6 CB & parts
HV VCB & parts
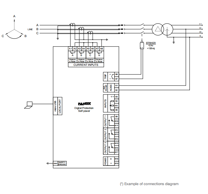
Fandox SIA-B Standard CT’s Protection Relay
Product Description